星空网络外围官网

FL60SV
产品中心 轮边电机

FL60SV

编码器类型:磁编码器,多种分辨率可选,增量式、绝对值式可选。
选件:
  • FL60SV

    编码器

  • FL60SV

    齿轮箱

  • FL60SV

    接插件

  • FL60SV

    刹车

一般技术特性 (General Technical Information)

编码器类型

(Encoder type)

1、磁编码器 Magnetic encoder

备注:多种分辨率可选,增量式、绝对值式可选。

Note: Multiple resolutions are availableIncremental   and absolute values are available.

径向负载

( Max radial force )

800N

 

 

 

环境条件

Environmental   conditions

使用环境温度: -20~ +50℃;

Temperature: -20~ +50

使用环境湿度:≤90%RH(无凝露);

Relative humidity: 90%RH(No   dewing)

安装环境:远离腐蚀、可燃性气体,油滴,灰尘,

海拔≤1000m(1000~4000m,降额使用)

Installation environment: Far away active gas,

Combustible gas, oil drop, ash.

altitude1000m(1000~4000mDerating   use)

存储环境:-20~ +85℃,≤85%RH(无凝露)。

Storage Condition: -20~ +85℃,≤85%RH(No   dewing).

轴向负载

( Max axial force )

300N

绝缘等级

(Insulation Class)

Class F

防护等级

(Protection level)

IP54


电机减速后技术性能 (Motor Technical Specification)

类型     (Model

单位(Unit)

FL60SV40

FL60SV20

减速比(Reduction Ratio


9:1

     9:1

额定功率(Rated power)                  Pn

W

400

200

额定电压(Rated voltage)                 U

V

48VDC

48VDC

额定转速(Rated speed)                  nn

RPM

311

311

额定转矩(Rated torque)                 Tn

N·m

10.8

5.4

额定电流(Rated current)                 In

A

12

6

最大转速(Maximum speed)             nmax

RPM

555

555

最大转矩(Maximum torque)             Tm

N·m

32.4

16.2

最大电流(Maximum current)             Im

 A

36

18

电阻(Line to line resistance)              RL

Ω

0.23

0.38

电感(Line to line inductance)             LL

mH

0.3

0.68

反电势系数(Back EMF)                 Ke

V/Krpm

6.5

6.5

转矩系数(Torque constant)               Kt

Nm/A

0.107

0.107

电气时间常数(Electrical time constant)    τe

ms

1.3

1.79

机械时间常数(Mechanical time constant) τm

ms

0.52

0.85

转动惯量(Rotor inertia)                 Jm0

kg.cm2

0.39

0.29

转动惯量带制动器(Rotor inertia with brake) Jm1

kg.cm2

0.39

0.29

极数(Number of poles)


10

10

编码器(Encoder)


2500ppr磁编码器(增量式)

2500p/rev   Magnetic encoder

机身长度(Motor length)                 L

mm

99.5

78.5

机身长度带制动器(Motor length with brake) L

mm

135.5

114.5

重量 (Weight)

Kg

4.35

3.95

重量带制动器(Weight with brake)

Kg

4.85

4.35

根据要求,该款电机可以设计和制造成定制的类型。

*This motor can be designed & manufactured with customized request.

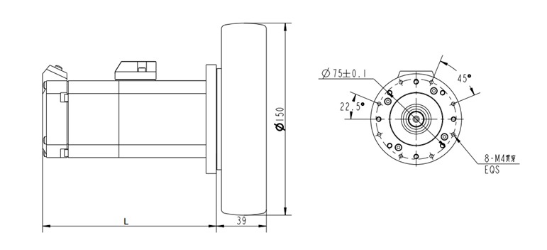
电机尺寸

image

资料下载
FL60SV20-48V-28EA1-HVG09-1 249.49 KB
FL60SV40-48V-28EA2-HVG09 297.96 KB

Copyright 2023 版权所有 江苏富兴电机技术股份有限公司

雷火竞技推荐(官方)网站/网页版登录入口/手机版登录入口-最新版(已更新) 利记最火足球网站(官方)网站/网页版登录入口/手机版登录入口-最新版(已更新) 网络权威半岛大全(官方)网站/网页版登录入口/手机版登录入口-最新版(已更新) 188BET正规足球(官方)网站/网页版登录入口/手机版登录入口-最新版(已更新) 188BET最新线上足球(官方)网站/网页版登录入口/手机版登录入口-最新版(已更新) 博鱼靠谱权威网址(官方)网站/网页版登录入口/手机版登录入口-最新版(已更新) 雷火竞技知名靠谱网(官方)网站/网页版登录入口/手机版登录入口-最新版(已更新) 半岛正规足球直播(官方)网站/网页版登录入口/手机版登录入口-最新版(已更新)