星空网络外围官网

iSVD110C-48V-410-A14-001
产品中心 关节模组

iSVD110C-48V-410-A14-001

稳准狠,轻而巧 准直驱60N.m一体化关节模组 电机本体、行星减速器、驱动器(双编)三合一,峰值扭矩60N.m,搭载高性能电控和闭环温控算法,配套赠送高柔调试线,配套提供调试软件,稳定量产交付。
选件:
  • iSVD110C-48V-410-A14-001

    编码器

  • iSVD110C-48V-410-A14-001

    齿轮箱

  • iSVD110C-48V-410-A14-001

    接插件

  • iSVD110C-48V-410-A14-001

    刹车

电气特性

科目 Item参数 Spec
磁编码器 Magnetic Encoder2 pcs
额定电压 Rated Voltage48V
使用电压范围 Voltage Range15-60V
额定输出功率 Rated Output Power380W±10%
额定扭矩 Rated Torque20N.m
峰值扭矩 Peak Torque60N.m
运转方向 Running DirectionCW/CCW
使用温度范围 Temperature Range-20~50℃
使用湿度范围 Humidity Range5~85%
保存温度范围 Storage Temperature Range-30~70℃
绝缘等级 Insulation LevelClass B
空载转速 No-load Speed195rpm±10%
空载电流 No-load Current0.6Arms ±10%
额定负载转速 Rated Load Speed180rpm±10%
额定负载相电流 Rated Load Phase Current13Apk ± 10%
峰值相电流 Peak Phase Current43Apk ± 10%
绝缘电阻/定子绕组 Insulation Resistance/ Stator WindingDC 500VAC,100M 0hms
耐高压/定子与机壳 High Voltage Resistance/ Stator and   Casing600VAC, 1s, 2mA
电机反电势 Back-EMF17Vrms/krpm ±10%
线电阻 Line Resistance0.39Ω±10%
转矩常数 Torque Constant2.36N.m/Arms
电机电感 Inductance0.275mH±10%


机械参数

科目 Item参数 Spec
重量 Weight900g±20g
极数 Pole42
相数 Phase3
驱动方式 Drive MethodFOC
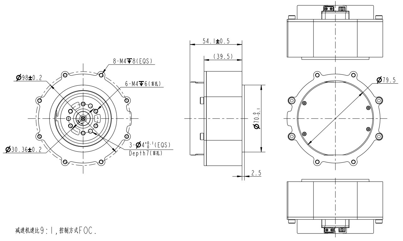
减速比 reduction ratio9:01


性能参数

image


最大过载曲线

负载 Load (N.m)工作时间 Operating Time (s)
20rated
30189
40126
5012
607

image

电机尺寸

image

资料下载

Copyright 2023 版权所有 江苏富兴电机技术股份有限公司

雷火竞技推荐(官方)网站/网页版登录入口/手机版登录入口-最新版(已更新) 利记最火足球网站(官方)网站/网页版登录入口/手机版登录入口-最新版(已更新) 网络权威半岛大全(官方)网站/网页版登录入口/手机版登录入口-最新版(已更新) 188BET正规足球(官方)网站/网页版登录入口/手机版登录入口-最新版(已更新) 188BET最新线上足球(官方)网站/网页版登录入口/手机版登录入口-最新版(已更新) 博鱼靠谱权威网址(官方)网站/网页版登录入口/手机版登录入口-最新版(已更新) 雷火竞技知名靠谱网(官方)网站/网页版登录入口/手机版登录入口-最新版(已更新) 半岛正规足球直播(官方)网站/网页版登录入口/手机版登录入口-最新版(已更新)