星空网络外围官网

FL40BL-高性能 Enhanced
产品中心 常规无刷电机

FL40BL-高性能 Enhanced

40mm高性能直流无刷电机,12~36VDC,圆形,端盖机壳机加工
选件:
  • FL40BL-高性能 Enhanced

    编码器

  • FL40BL-高性能 Enhanced

    齿轮箱

  • FL40BL-高性能 Enhanced

    接插件

  • FL40BL-高性能 Enhanced

    刹车

特性概要 ( General Specifications )

绕组连接方式 ( Winding Type )

三角形 ( Delta connection )

霍尔分布角度 ( Hall Effect Angle )

120度电角度 ( Electrical Angle of 120 degree)

径向间隙 ( Radial Play )

preloaded

轴向间隙 ( Axial Play )

0.15mm@9N

最大径向负载 ( Max radial force )

15N  距法兰5mm ( 5mm From the flange)

最大轴向负载 ( Max axial force )

5N

介电强度 ( Dielectric Strength )  

500VAC/1S

绝缘电阻 ( Insulation Resistance )

100MΩ, 500VDC

环境温度 ( Ambient Temperature )

-20°C ~ +50°C

绝缘等级 (Insulation Class)

Class F 


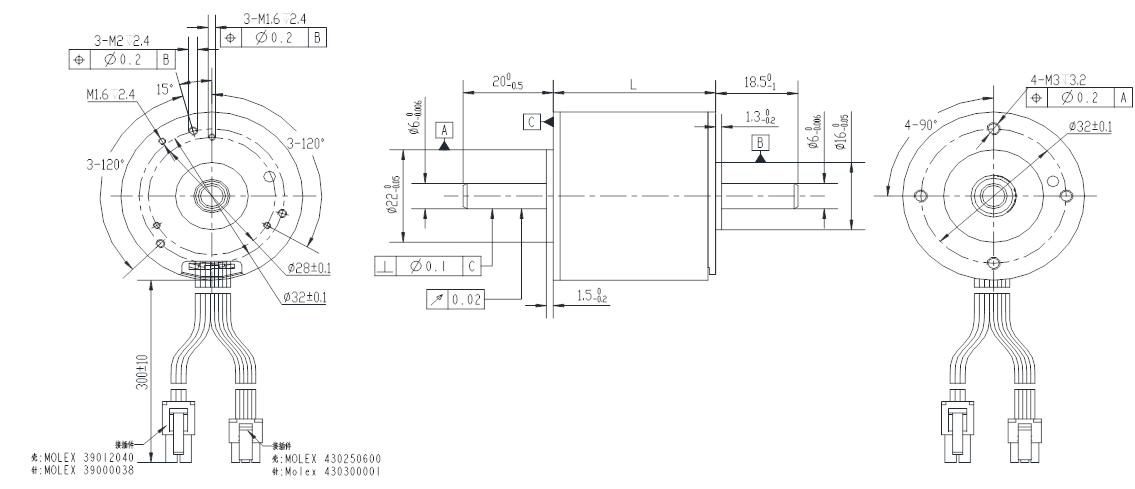
接线说明(Electric Connection)

Pin No

引出线型号Type

引出线颜色Color

功能Functions

5

UL1332 AWG26

MOLEX 430250600

绿色  ( Green )

霍尔电源正  ( Vcc )

1


黄色  ( Yellow )

霍尔 U ( Hu )

2


棕色  ( Brown )

霍尔 V ( Hv )

3


灰色  ( Gray )

霍尔 W ( Hw )

4


蓝色  ( Blue )

霍尔电源负 ( GND )

1

UL1332 AWG20

MOLEX 39012040

红色  ( Red )

U相 ( Phase U )

2


黑色  ( Black)

V相 ( Phase V )

3


白色  ( White )

W相 ( Phase W )


电性能 (Electrical Specifications) 


单 位 (Unit)

FL40BL36-36V-6487B

FL40BL36-48V-4165B

FL40BL56-36V-3986B

FL40BL56-48V-43102B

极数  ( Number of poles )


14

相数  ( Number of phases )


3

额定电压 ( Rated  voltage )         

VDC

36

48

36

48

额定转矩 ( Rated torque)        

mN.m

129

151

207

222

连续运行转矩 ( Continuous stall torque)

mN.m

181

181

248

266

额定速度 ( Rated speed ) 

RPM

6450

4100

3950

4390

额定功率 ( Rated power ) 

W

87

65

86

102

峰值转矩 ( Peak torque )   

mN.m

387

453

621

666

峰值电流 ( Peak current )

A

8.4

4.95

8.3

7.3

线电阻 ( Line to line resistance )

ohms@20℃ 

0.59

2.28

0.85

1.01

线电感 ( Line to line inductance )

mH  

0.51

2.05

0.68

1.0

转矩常数 ( Torque constant ) 

Nm/A

46.1

91.8

75.2

91

反电势 ( Back EMF )

Vrms/KRPM

3.42

6.8

5.57

6.73

转动惯量 ( Rotor inertia )

g.cm2

23

23

44

44

机身长度 ( Motor length )      L

mm

36

36

56

56

重量 ( Weight )

g

250

250

390

390


该款电机可以根据客户需求定制。

The motor can be designed &manufactured with customized request.


电机尺寸

image

资料下载

Copyright 2023 版权所有 江苏富兴电机技术股份有限公司

雷火竞技推荐(官方)网站/网页版登录入口/手机版登录入口-最新版(已更新) 利记最火足球网站(官方)网站/网页版登录入口/手机版登录入口-最新版(已更新) 网络权威半岛大全(官方)网站/网页版登录入口/手机版登录入口-最新版(已更新) 188BET正规足球(官方)网站/网页版登录入口/手机版登录入口-最新版(已更新) 188BET最新线上足球(官方)网站/网页版登录入口/手机版登录入口-最新版(已更新) 博鱼靠谱权威网址(官方)网站/网页版登录入口/手机版登录入口-最新版(已更新) 雷火竞技知名靠谱网(官方)网站/网页版登录入口/手机版登录入口-最新版(已更新) 半岛正规足球直播(官方)网站/网页版登录入口/手机版登录入口-最新版(已更新)