星空网络外围官网

iSVD78C-36V-10-A14-001
产品中心 行星关节模组

iSVD78C-36V-10-A14-001

富兴步进电机提供高性能的两相及三相混合式步进电机,有多种尺寸和输出扭矩,单极性或双极性控制以及单轴或双轴。产品分为标准型,力矩增强型,高防护型等,可以充分满足不同用户的各种应用需求。
选件:
  • iSVD78C-36V-10-A14-001

    编码器

  • iSVD78C-36V-10-A14-001

    齿轮箱

  • iSVD78C-36V-10-A14-001

    接插件

  • iSVD78C-36V-10-A14-001

    刹车

标准使用状态

1. 额定电压: 36 VDC

2. 使用电压范围: 24V—50 VDC 

3. 额定负载(CW):6 N.m 

4. 运转方向: CW/CCW 从出轴方向看 

5. 使用姿势:出轴方向为⽔平或者垂直 

6. 标准使用温度:25±5℃ 

7. 使用温度范围:-20~50℃ 

8. 标准使用湿度:65% 

9. 使用湿度范围:5~85%,无凝露 

10. 保存温度范围:-30~70℃ 

11. 绝缘等级:Class


电气特性:

1. 空载转速:315 rpm±10%

2. 空载电流:0.5 Arms 

3. 额定负载: 6 N.m 

4. 额定负载转速:275rpm±10% 

5. 额定负载相电流(峰值):7Apk±10% 

6. 峰值负载:17 N.m 

7. 最⼤负载相电流(峰值):23Apk±10% 

8. 绝缘电阻/定子绕组:DC 500VAC, 100M Ohms 

9. 耐⾼压/定子与机壳: 600 VAC, 1s, 2mA 

10. 电机反电势:0.096Vrms/rpm±10% 

11. 转矩常数:1.22N.m/Arms 

12. T-N曲线 (36V)


驱动器产品规格

项目
数据
额定⼯作电压36VDC
允许最⼤电压50VDC
额定⼯作相电流7Apk
最⼤允许相电流23Apk
待机功率≤18mA
CAN总线⽐特率1Mbps
尺⼨Φ58mm
⼯作环境温度-20℃⾄50℃
控制板允许最⼤温度105℃
编码器分辨率14bit(单圈绝对值)


驱动器接口推荐品牌及型号

板端型号品牌⼚家线端型号品牌⼚家
XT30PB(2+2)-M.G.BAMASS(艾迈斯)XT30(2+2)-F.G.BAMASS(艾迈斯)


主要器件及规格


序号
项目
规格
数量
1
MCU芯⽚GD32F303RGT61 PCS
2驱动芯⽚6EDL71411 PCS
3磁编码器芯⽚AS5047P1 PCS
4热敏电阻NXFT15XH103FEAB021/NCP18XH103F03RB2 PCS
5功率MOSJMGG031V06A6 PCS



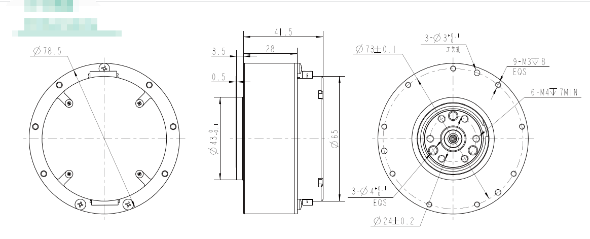
电机尺寸

image

资料下载
iSVD78C-36V-10-A14-001(3D) 850.98 KB
iSVD78C-36V-10-A14-001 203.65 KB
iSVD78C-36V-10-A14-001使用说明书250227 2.01 MB

Copyright 2023 版权所有 江苏富兴电机技术股份有限公司

雷火竞技推荐(官方)网站/网页版登录入口/手机版登录入口-最新版(已更新) 利记最火足球网站(官方)网站/网页版登录入口/手机版登录入口-最新版(已更新) 网络权威半岛大全(官方)网站/网页版登录入口/手机版登录入口-最新版(已更新) 188BET正规足球(官方)网站/网页版登录入口/手机版登录入口-最新版(已更新) 188BET最新线上足球(官方)网站/网页版登录入口/手机版登录入口-最新版(已更新) 博鱼靠谱权威网址(官方)网站/网页版登录入口/手机版登录入口-最新版(已更新) 雷火竞技知名靠谱网(官方)网站/网页版登录入口/手机版登录入口-最新版(已更新) 半岛正规足球直播(官方)网站/网页版登录入口/手机版登录入口-最新版(已更新)