项目(Items) | FL85HSV23 | FL85HSV13 | 公差(Tolerance) |
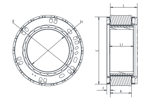
定子外径D | 85mm | 85mm | ±0.043(js9) |
定子长度L | 36mm | 27.5mm | ±1 |
转子内径D1 | 52mm | 52mm | +0.046/0(H8) |
转子长度L1 | 34mm | 22.5mm | ±0.25 |
灌胶面外圆E | 81mm | 81mm | ±0.2 |
灌胶面高度F | 4.2mm | 4.2mm | ±0.3 |
定子铁芯高度A | 23mm | 13mm | 0/-0.5 |
特性概要 ( General Specifications )
绕组连接方式 ( Winding Type ) | 星形 ( Star connection) |
霍尔分布角度 ( Hall Effect Angle ) | 120度电角度 ( Electrical Angle of 120 degree) |
介电强度 ( Dielectric Strength ) | 1000VAC/1S |
绝缘电阻 ( Insulation Resistance ) | 100MΩ, 500VDC |
环境温度 ( Ambient Temperature ) | -20°C ~ +50°C |
绝缘等级 (Insulation Class) | Class B |
接线说明(Electric Connection)
引出线颜色 Color | 引出线型号 Type | 功能 Functions |
PIN1 | Connector for Hall is optional Type: SM07B-GHS-TB | 热敏NTC2 |
PIN2 | 热敏NTC2 | |
PIN3 | 霍尔电源负 ( GND ) | |
PIN4 | 霍尔 U ( Hu ) | |
PIN5 | 霍尔 U ( Hv ) | |
PIN6 | 霍尔 W ( Hw ) | |
PIN7 | 霍尔电源正 ( Vcc ) | |
黄色 ( Yellow ) | UL1332 AWG22 | U相 ( Phase U ) |
红色 ( Red ) | V相 ( Phase V ) | |
黑色 ( Black) | W相 ( Phase W ) |
电性能 (Electrical Specifications)
单 位 (Unit) | FL85HSV13-48V-29400 | FL85HSV23-48V-350730 | |
极数 ( Number of poles ) | 20 | 20 | |
相数 ( Number of phases ) | 3 | 3 | |
额定电压 ( Rated voltage ) | VDC | 48 | 48 |
额定转矩 ( Rated torque) | N.m | 1.2 | 2.0 |
额定电流(Rated current) | A | 8.6 | 15 |
额定速度 ( Rated speed ) | RPM | 2950 | 3500 |
额定功率 ( Rated power ) | W | 370 | 732 |
最大转速(Maximum speed) | RPM | 3700 | 4000 |
峰值转矩 ( Peak torque ) | N.m | 3.6 | 6.0 |
峰值电流 ( Peak current ) | A | 25.8 | 45 |
线电阻 ( Line to line resistance ) | ohms@20℃ | 0.23 | 0.09 |
线电感 ( Line to line inductance ) | mH | 0.28 | 0.12 |
转矩常数 ( Torque constant ) | Nm/A | 0.15 | 0.14 |
反电势 ( Back EMF ) | Vrms/KRPM | 9 | 8.3 |
重量 ( Weight ) | g | 386 | 597 |
电气时间常数(Electrical time constant) | ms | 1.22 | 1.33 |
根据要求,该款电机可以设计和制造成定制的类型。
The motor can be designed &manufactured with customized request.

Copyright 2023 版权所有 江苏富兴电机技术股份有限公司