星空网络外围官网

FL130BLG
Product High performance BLDC motor

FL130BLG

130mm high-performance waterproof brushless motor, IP65, Class F insulation, servo structure
option:
  • FL130BLG
  • FL130BLG
  • FL130BLG
  • FL130BLG

特性概要 ( General Specifications )

绕组连接方式 ( Winding Type )

星形 ( Star connection )

径向负载 ( Max radial force )

490N @ 20mm from the flange

轴向负载 ( Max axial force )

196N

绝缘等级 (Insulation Class)

Class B

防护等级 (Protection level)

IP65

使用环境温度 (Temperature)  

-20℃~ +50℃

使用环境湿度 (Relative humidity)

≤90%RH (无凝露)( No dewing)

存储环境 (Storage Condition)

-20℃~ +60℃,≤85%RH (无凝露)( No dewing)

安装环境(Installation environment)

远离腐蚀、可燃性气体,油滴,灰尘,

海拔≤1000m  Far away active gas,

Combustible gas, oil drop, ash


接线说明(Electric Connection)

Pin No

引出线型号Type

引出线颜色Color

功能Functions

5

UL1332 AWG26

 

绿色  ( Green )

霍尔电源正  ( Vcc )

1


黄色  ( Yellow )

霍尔 U ( Hu )

2


棕色  ( Brown )

霍尔 V ( Hv )

3


灰色  ( Gray )

霍尔 W ( Hw )

4


蓝色  ( Blue )

霍尔电源负 ( GND )

1

具体规格见图纸定义

黄色  ( Yellow )

U相 ( Phase U )

2


红色  ( Red)

V相 ( Phase V )

3


黑色  ( Black )

W相 ( Phase W )


电机技术性能 (Motor Technical Specification)


类型 (Model)单位(Unit)FL130BLG200FL130BLG300
额定功率(Rated power) PNW20003000
额定电压(Rate d voltage) UNVAC/VDC2204822048
额定转速(Rate d speed) nNrpm2000200020002000
额定转矩(Rate d tor que) TNN.m9.559.5514.314.3
额定电流(Rate d current) INArms7.852.911.779.3
峰值转矩(Peak torque) TMN.m28.6528.6542.942.9
峰值电流(Peak current) IMArms23.4158.735.1237.9
电阻(Line to line resistance) Rzohm1.40.030.840.018
电感(Line to line inductance) LzmH6.80.144.801
反电势系数(Back EMF constant) KeV/krpm81128112
转矩系数(Torque constant) KN.m/A1.220.181.220.18
转动惯量(Rotor inertia) Jm0kg.cm 2141419.919.9
转动惯量带制动器(Rotor inertia with brake) Jm1kg.cm 215.215.220.220.2
极数(Number of poles)
10101010
机身长度(Motor length) L1mm150165178193
机身长度带制动器(Motor length with brake) L2mm178193206221
重量(Weight)kg77.511.712.7
重量带制动器(Weight with brake)kg9.51014.215.2


该款电机可以根据客户需求定制。

The motor can be designed &manufactured with customized request.


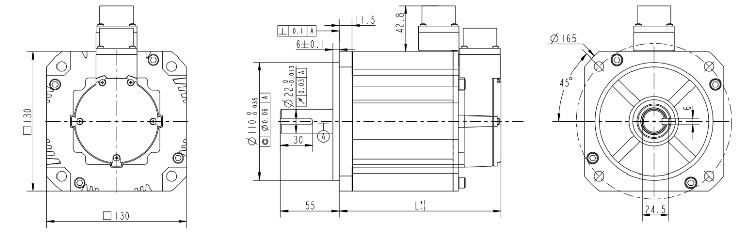
Motor size

image

Download

Copyright 2023 Copyright Jiangsu Fulling Motor Technology Co., Ltd.

雷火竞技推荐(官方)网站/网页版登录入口/手机版登录入口-最新版(已更新) 利记最火足球网站(官方)网站/网页版登录入口/手机版登录入口-最新版(已更新) 网络权威半岛大全(官方)网站/网页版登录入口/手机版登录入口-最新版(已更新) 188BET正规足球(官方)网站/网页版登录入口/手机版登录入口-最新版(已更新) 188BET最新线上足球(官方)网站/网页版登录入口/手机版登录入口-最新版(已更新) 博鱼靠谱权威网址(官方)网站/网页版登录入口/手机版登录入口-最新版(已更新) 雷火竞技知名靠谱网(官方)网站/网页版登录入口/手机版登录入口-最新版(已更新) 半岛正规足球直播(官方)网站/网页版登录入口/手机版登录入口-最新版(已更新)