特性概要 ( General Specifications ) | |
绕组连接方式 ( Winding Type ) | 星形 ( Star connection) |
霍尔分布角度 ( Hall Effect Angle ) | 120度电角度 ( Electrical Angle of 120 degree) |
径向间隙 ( Radial Play ) | 0.02mm@450g |
轴向间隙 ( Axial Play ) | 0.08mm@450g |
最大径向负载 ( Max radial force ) | 15N 距法兰10mm ( 10mm From the flange) |
最大轴向负载 ( Max axial force ) | 10N |
介电强度 ( Dielectric Strength ) | 600VAC/1S |
绝缘电阻 ( Insulation Resistance ) | 100MΩ, 500VDC |
环境温度 ( Ambient Temperature ) | -20°C ~ +50°C |
绝缘等级 (Insulation Class) | Class B |
接线说明(Electric Connection) | ||
引出线型号Type | 引出线颜色Color | 功能Functions |
UL1332 AWG22 | 红色 ( Red ) | 电源正 ( Vcc ) |
黑色 ( Black ) | 电源负 ( GND ) | |
UL1430 AWG26 | 绿色 ( Green ) | 转向控制(Rotating Direction)CW/CCW |
白色 ( White ) | PWM调速(Speed Control) | |
蓝色 ( Blue ) | 刹车(Brake) | |
黄色 ( Yellow ) | PG转速信号反馈(Tacho out) | |
单 位 (Unit) | FL42CBL60-24V-5943-IE | FL42CBL66-24V-3031A-IE | |
极数 ( Number of poles ) | 4 | ||
相数 ( Number of phases ) | 3 | ||
额定转矩 ( Rated torque) | mN.m | 68 | 100 |
连续运行转矩 ( Continuous stall torque) | mN.m | 81.6 | 120 |
额定速度 ( Rated speed ) | RPM | 5900 | 3000 |
额定功率 ( Rated power ) | W | 43 | 31 |
峰值转矩 ( Peak torque ) | mN.m | 92 | 200 |
峰值电流 ( Peak current ) | A | 3 | 3 |
线电阻 ( Line to line resistance ) | ohms@20℃ | 0.82 | 2.5 |
线电感 ( Line to line inductance ) | mH | 1.2 | 3.3 |
转矩常数 ( Torque constant ) | mN.m/A | 33.75 | 65 |
反电势 ( Back EMF ) | Vrms/KRPM | 2.5 | 4.82 |
转动惯量 ( Rotor inertia ) | g.cm2 | 44 | 55 |
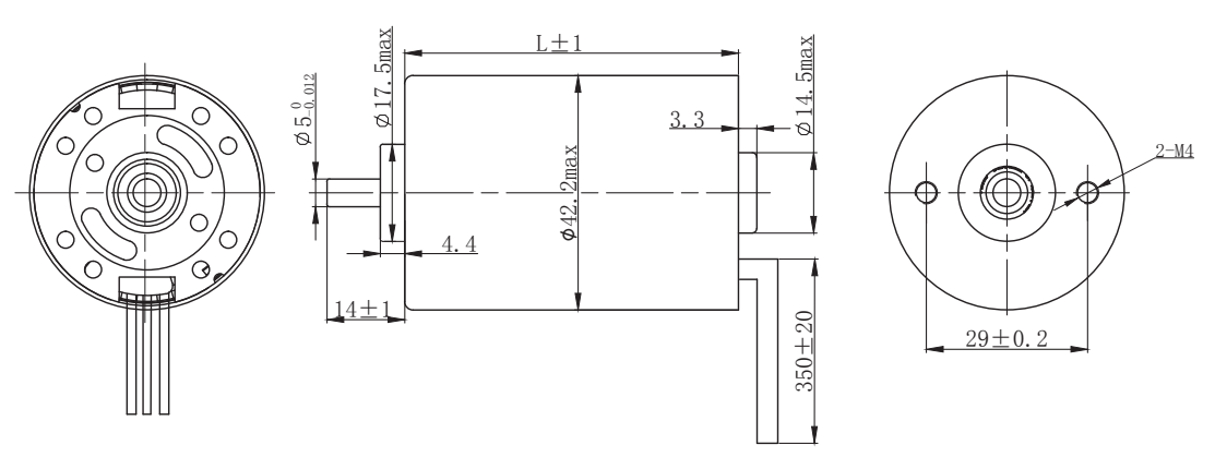
机身长度 ( Motor length ) L | mm | 60 | 66 |
重量 ( Weight ) | Kg | 0.35 | 0.44 |
该款电机可以根据客户需求定制。
The motor can be designed &manufactured with customized request.

Copyright 2023 Copyright Jiangsu Fulling Motor Technology Co., Ltd.