项目(Items) | FL96MSV21 | 公差(Tolerance) |
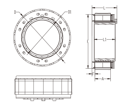
定子外径D | 96mm | js9 |
定子长度L | 37mm | ±1 |
转子内径D1 | 38mm | H8 |
转子长度L1 | 21.4mm | ±0.25 |
骨架外圆E | 91mm | ±0.5 |
特性概要 ( General Specifications )
绕组连接方式 ( Winding Type ) | 星形 ( Star connection) |
介电强度 ( Dielectric Strength ) | 600VAC/1S |
绝缘电阻 ( Insulation Resistance ) | 100MΩ, 500VDC |
环境温度 ( Ambient Temperature ) | -20°C ~ +50°C |
绝缘等级 (Insulation Class) | Class B |
接线说明(Electric Connection)
引出线颜色 Color | 引出线型号 Type | 功能 Functions |
红色 ( Red ) | AWG16 | U相 ( Phase U ) |
黄色 ( Yellow ) | V相 ( Phase V ) | |
蓝色 ( Blu) | W相 ( Phase W ) |
电性能 (Electrical Specifications)
单 位 (Unit) | FL96MSV21 | |
极数 ( Number of poles ) | 10 | |
相数 ( Number of phases ) | 3 | |
额定电压 ( Rated voltage ) | VDC | 48 |
额定转矩 ( Rated torque) | N.m | 2 |
额定电流(Rated current) | A | 20 |
额定速度 ( Rated speed ) | RPM | 3600 |
额定功率 ( Rated power ) | W | 700 |
最大转速(Maximum speed) | RPM | 4500 |
峰值转矩 ( Peak torque ) | N.m | 4 |
峰值电流 ( Peak current ) | A | 45 |
线电阻 ( Line to line resistance ) | ohms@20℃ | 0.08 |
线电感 ( Line to line inductance ) | mH | 0.4 |
转矩常数 ( Torque constant ) | Nm/A | 0.12 |
反电势 ( Back EMF ) | Vrms/KRPM | 7.5 |
机身长度 ( Motor length ) | mm | 37 |
电气时间常数(Electrical time constant) | ms | 5 |
根据要求,该款电机可以设计和制造成定制的类型。
The motor can be designed &manufactured with customized request.
Copyright 2023 Copyright Jiangsu Fulling Motor Technology Co., Ltd.